![]() | ![]() |
エウロパはガリレオの探査以前から水を保有する可能性のある星として特別な関心をもたれていました。ガリレオの探査によって、その地表の下には大洋(海)があることがほぼ確実視されるようになりました。NASAではエウロパ探査宇宙船の打上げも検討しています。ここではガリレオが得たデータの解析の一部を含めて記載しておきます。 <エウロパ概要>; ガリレオ衛星の中で最小のエウロパは比重が3.0とイオに次いで大きい。エウロパは珪酸塩の岩石から成り、表面は非常に反射率の高い、密度や硬さが異なる、氷か水がマントルの上に広がっている。エウロパの表面には、起伏や目立つ地形のない滑らかな光る地域と、比較的色の濃い地域がある。光る地域には、ほぼ全域に亙って亀裂と見られる暗い線があらゆる方向に向かって走り、幅数キロメートルから70キロメートル、長さ数百キロメートルから数千キロメートルにも及ぶ。線には決まった形はないが、ほとんどが直線的である。エウロパの表面にはクレータが少なく、数個が色の濃い地域に確認されているに過ぎない。このことから、エウロパの表面は比較的新しいか、氷や水による表面の激しい変化があり、クレータの痕跡を消し去ったと推測されている。エウロパの地形には3つの際立った、リネア(大きな暗い線)、フレクウス(大きな曲がりくねったしわ)、マクラ(暗い斑点)と呼ばれる特徴がある。
クリスタルボールの中を覗くと多くの不思議がある。このクリスタル球は、木星の月のありのままの姿であり、クリスタルは氷、そして球は汚れ不透明であるばかりでなく修理前のひび割れがある。それにもかかわらず、これらのゆがめられた氷の面の下には生命を支える海が存在するという考えにはやる。エウロパ、ガレリオ衛星の最も小さな月は、1996年10月、木星軌道にあるロボット宇宙船ガリレオによって天然色で撮影された。褐色の模様、周囲と色の異なる不規則な広がりは、一つの考えとして白い氷の割れ目によって汚れて見えるのだろう。エウロパ、ほぼ地球の月と同じ大きさの月は、地球の月に似て、ホーム惑星である木星にいつも一つの面を見せている。左に示したエウロパの半球はいつも追跡されている一つである。エウロパの面が太陽系の中で最も滑らかなのは何故だろう。そしてエウロパのクレーターは何処にあるのだろう。
November 20, 1996
エウロパの凍った表面の下には生命があるのだろうか? ある人は、海に炭素の豊富な水を見いだしたことは、我々の太陽系の中で、地球以外に、生命が存在する最高のチャンスである信じている。エウロパ、木星の四番目に大きい月は、最近ハッブル宇宙望遠鏡を使った科学者達によって薄い酸素の大気を持つことが発見された。地球の大気が酸素に富んでいることは生命の指標であるけれど、天文学者達はエウロパの酸素がフィジカルなプロセスで純化されたと推測している。なんと興味のある偶然の一致であろうか。右の写真は1979年にボイジャー宇宙船によって撮られたものであるが、ガリレオ宇宙船が現在木星を回りエウロパを撮っている。
August 6, 1996
この大きな氷の球に何がひび割れをもたらしたのだろう。木星の月エウロパは太陽系の中で最も滑らかな表面を持ち、ほとんど割れ目のある水の氷で構成されている。左の疑似カラーの写真はガリレオミッションの蓄えの中からNASAのチームによって先週公表された。青の色は暗い赤と褐色のまだらな地形の帯によって分離された氷を表している。木星の周回軌道にあるロボット宇宙船ガリレオは、木星と共に、その大きな月エウロパ、イオ、ガニメデ、カリストをあからさまにする写真を送り返してきた。示されたエウロパの地域はミノスリネア
October 22, 1996
インパクトクレータ Pwyll(ケルト族の神話からの名)は、エウロパ表面の最も若い姿の一つを表していると考えられている。ガリレオからのカラーコンビネーションと高精細の黒と白のデータが、右から太陽に照らされた光景としてクレータを見下ろすこの視界を生み出すために使われた。 Pwyll の暗い中央の地域は直径約38キロメートル。一方衝撃のサイトからの輝く爆破された白い破壊の跡の中央からの放射は数百マイル外まで拡がっている。白い破壊の跡または地表に何かしら重なるはっきりした噴出はこの形が周囲の姿より若いことを示している。興味深いことに明るい白は新鮮な水の氷の片の構成を示唆している。
April 17, 1997
木星軌道のガリレオ宇宙船は、木星の月エウロパの調査のために拡張ミッションに入り、今大変興奮させられている。エウロパの表面の下の海の可能性は太陽系に生命を見いだす絶好の場所の一つであると思われる。ガリレオ・エウロパ・ミッションは凍った月を8回フライバイする計画である。最初のフライバイは昨年12月に行われ次は2月に行われた。この拡張されたカラー写真はエウロパのコナマラ(Conamara)地域の小さな範囲を示している。白と青の色の目立った地域は Pwyll クレータを作ったインパクトの氷のダストによって覆われている。氷のばらばらな島が新しいところに筏を乗り入れるようにはっきりと見える。
January 2, 1998
今日(1997年4月9日)エウロパ表面下の海の可能性について新しい結果が公表された。このような海の存在は割れ目となった氷の面の下に何らかの種類の生命が存在するであろう可能性を強める。ガリレオ宇宙船の2月20日のフライバイの結果、今では、少なくともある地域には、エウロパの表面を覆う比較的薄い氷のシートの下に大きな水の塊か半ば融けた水が存在することをはっきりと示している。表面のいくつかの地域には非常に僅かなクレータがあり、クレータが作られてからそこでは水が流れたことを示している。
April 9, 1997

木星の月エウロパの表面は移動してきた。昨日(1997年4月10日)発表された宇宙船ガリレオによって撮られたエウロパの表面は、滑らかな月の表面がある時大きくかき混ぜられたジグソウパズルのようである。上に示されたエウロパ表面のジグソウのピースは新しい場所に筏を組んできた。また彼らの元の面から明らかに動いた大きな地域も見える。この表面をシャッフルしたのは何が原因なのだろうか。一つの最有力な説明はエウロパの氷の面の下にある海の水である。この発見は地球とはほど遠いかも知れない生命の存在に対する推測に再び火を付ける。
April 10, 1997

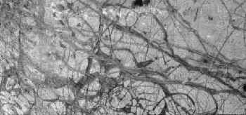
この写真で地球上の複雑なハイウェイシステムの漫画ように現われているものは、実際の木星の月エウロパの氷の表面の隆起と割れ目のシステムである。写真の平行した尾根の間の距離は代表的には約1kmである。割れ目と隆起の複雑さはほとんど解読できないエウロパの過去の物語を語っており、惑星の地質学者達は全体の様子の一般的な起源の解明を試みている。一つの記録する価値のある姿は全体の白い輝きであり、おそらく結氷の存在を示している。そのほかには平行した隆起の間の暗い中心があり、これらは最近地下の海から割れ目と氷の中に湧き出た汚れた水であるかも知れない。
March 10, 1998
下の解説を読む前に・・・エウロパの南半球のこのイメージは、木星の第6軌道の間にNASAのガリレオ宇宙船のCCDシステムによって撮られた。イメージの左上の部分は「くさび」領域の南の広い撹乱を受けたエリアを示している。くさびの南アゲナーリネア (長さほぼ1000km) の東の長さがまた見られる。テラマクラとトラケマクラはアゲナーリネアの南東の暗い不規則な姿である。このイメージは科学者によって1979年のNASAのボイジャーミッションのイメージと共に、エウロパの広域なマップを作るためにガリレオイメージと結合して使われる。このようなより低解像度のイメージは、またその名目上のミッションと、エウロパミッションの二つの間で、ガリレオによって撮影されたより高解像度のイメージを解析するのに必要とされる手がかりを与える。北は写真の上、太陽は右から表面を照らしている。緯度-40度、経度180度に中心が置かれたイメージは、おおよそ675×675kmのエリアをカバーしている。この写真で識別できる最も細部は長さ約3.3kmである。イメージは、1997年2月20日12時55分34秒(UT:Universal Time)に宇宙船が 81,707kmの距離にあったときに撮られた。
Feb 20, 1997
ガリレオ宇宙船はエウロパが大気を持っているということを発見した。ガリレオの科学者は「NASAのガリレオ宇宙船が、木星の月エウロパに電離層と大気を持っているという徴候を発見した」と今日報告した。
調査者のリーダーであるジェット推進研究所の Kliore 博士は、「この発見はエウロパの生命の可能性には関係しないが、そこに起きている表面のプロセスがあることを、また、エウロパが単に死んだ大きな塊ではないことを我々に示している」と言った。
電離層は1996年12月と1997年2月のエウロパとガリレオとの遭遇の間に行われた6回の一連の掩蔽(えんぺい)実験によって検出された。掩蔽の間エウロパは宇宙船と地球の間に置かれた。ガリレオの電波信号の測定は、カリフォルニアのゴールドストーンとオーストラリア キャンベラのディープスペースネットワークで受信され、無線ビームが電子の層によって屈折させられたか、もしくは、エウロパの電離層における粒子を帯電させたことを示した。電離層は大気のガスの分子がイオン化されたとき作られる帯電粒子(イオンと電子)の層である。
エウロパのこのイオン化された層は、太陽の紫外線放射によって、あるいは磁気圏として知られている木星の磁界に閉じ込められた高エネルギー粒子によって引き起こされる。エウロパと他の木星の衛星はこの磁気圏に浸されている。
エウロパの電離層は1立方センチメートル当たり1万の電子(木星の電離層で発見された1立方センチメートル当たり2万~25万の電子の平均密度より著しく低い)の最大密度を持っている。これはエウロパの電離層が薄いことを示しているが、それでも科学者が大気の存在を推論するには十分である。
この最新のガリレオ調査結果は、エウロパが酸素を放出しているというハッブル宇宙望遠鏡による昨年の観測、大気がこの月に存在するかもしれないという強いヒントによっている。
他の木星の月イオの大気は電離層の存在と推論によってパイオニア10号宇宙船で行われ、1973年の電波掩蔽の間に観察され、さらに最近のガリレオ宇宙船の掩蔽によって確認された。イオは月の火山の噴気口から噴出する二酸化硫黄によって影響を受けた異常な大気を持つと考えられている。
また、電離層と大気を持っているかどうかを確定させるために、 Kliore 博士と彼の同僚は、現在木星の他の最も大きな月ガニメデとカリストの二つを研究している。
July 18, 1997

これらのアーティストの図は、木星の月、エウロパの地表構造の二つの提案されたモデルを描いている。ガリレオ宇宙船のSSIシステムによって描かれた地表の地質の特徴は、数km下の冷たく壊れやすい地表(brittle surface)の氷の地殻(図の上のモデル)に描かれた、層を伝わる暖かい氷(warm convecting ice)の存在、あるいは、下のモデルに示された 100 km 以上の深さの融けた水の層によって説明できるかもしれない。もし、100 km の深い大洋が、15 km の厚さのエウロパの氷の地殻の下に存在するならば、それは、地球のどの大洋よりも 10 倍深く、また、地球の大洋と川とを総合したものと比較して二倍は多い水を含むであろう。地球と異なり、マグネシウム硫酸塩は、エウロパの水または氷の、主な塩の構成要素であろう、一方、地球の大洋は塩化ナトリウム(食塩)のために塩辛い。
ガリレオ宇宙船の様々な機器からのデータは、エウロパに大洋が存在するであろうことを示すが、まだ確証は発見されていない。現代の地球は、固体の地表近くに大量の液状の水がある太陽系における唯一の既知の場所である。水は生命の発展のための主要成分であり、他の
Jan 18, 1999. By:DLR(GERMAN AEROSPACE CENTER)
ブルネット(黒~褐色の髪)を瞬間に金髪に変え得る化学薬品、過酸化水素が木星の月エウロパの氷の地表に現れた。NASAのガリレオ宇宙船による新しい発見に基づき”ジャーナルサイエンス”3月26日版にレポートされた。
エウロパに化学薬品を検出したガリレオの近赤外線マッピング分光計装置の主要な調査者、ロバート・カールソン(Robert Carlson)博士は言った。「過酸化水素は、ほとんど全てのものと強く反応する実に強い化学薬品である」「木星の高エネルギー粒子が新しい化学薬品を生みだす地表の分子に当たって砕け、エウロパには絶えず過酸化水素が形成される」。このプロセスは“放射線の作用による化合物の分解(radiolysis)”と呼ばれる。
「木星の激しい粒子放射環境によって絶えず爆撃されているので、我々は、エウロパに、一層風変わりな物質を発見することを期待している」とカールソンは言う。
過酸化水素は地球では自然には地表に現れない。なぜなら、化学薬品を作成するプロセスを始めるほどには地表が部分的に十分な放射を当てられないからである。「もし我々が過酸化水素を必要とするなら、地球では、工場で作らなければならない」とカールソンは言う。
「過酸化水素は形成されるとすぐに壊れ始める」とカールソンは説明する。「紫外線の光によって破壊されるか、もしくは他の化学薬品との接触によって変化させられるので、エウロパでの寿命は、月のうちのほんの数週間である」「過酸化水素は水酸基と呼ばれる他の反作用の化学薬品となり、究極的には酸素と水素のガスを生み出す」
「エウロパ地表の化学薬品は絶えず作られつつありまた破壊されつつあるので、その長い期間の化学の歴史を調査することは難しい」とカールソンは言った。「一方で、我々は、短期間ずっと、化学組成の変化を見ることには興味がある」。エウロパでの化学プロセスと木星の他の月の調査によって、我々は、それらの衛星が木星とどのように相互作用し、そして、同様のプロセスが我々の太陽系の他の場所でどのように発生するかについて一層学ぶことができる。
ガリレオの近赤外線マッピング分光計は、裸眼では見えない赤外線光を分割するプリズムのように機能する。異なる化学分子は異なる赤外線光を吸収するので、科学者達は、光のパターンを研究することによってどのような化学薬品が存在するかを確定し得る。この場合、機器は、エウロパの地表から赤外線の光を調査するために使われ、そして、過酸化水素の暗いエリアを検出した。人間の目は、エウロパに過酸化水素を通常見ることはないだろう。なぜなら、それは地表の氷に溶け、そして、色を持たないからである。
ガリレオの機器は、エウロパの地表で、硫黄二酸化物、水の氷、二酸化炭素、及び恐らくは水を含んだ塩の分子など、これまでにいくつかの他の化学薬品を検出してきた。カールソンと他の科学者達は、11月25日に、ガリレオ宇宙船がエウロパをフライバイするとき、エウロパの地表の化学を調査する他のチャンスを持つだろう。
ガリレオは、3年を超える期間、木星、その衛星、及び、磁界の環境を調査してきた。その一次ミッションは1997年12月に終わり、宇宙船はガリレオエウロパミッションと呼ばれる2年の拡張ミッションの中程にある。
March 25, 1999
地球上で自動車のバッテリに見られる腐食性の化学薬品、硫酸が、木星の氷の月エウロパの凍った表面に存在する。
カリフォルニア州パサディナのNASAのジェット推進研究所(JPL)のロバートカールソン(Robert Carlson)博士は、「これはエウロパが本当に奇怪な場所であることをもう一度証明している」と言った。「硫酸は自然界においても発生するが豊富ではない。地球の砂浜では硫酸を発見しそうにないがエウロパ上ではそれが地表の大部分を覆っている。」
NASAのガリレオ宇宙船からの新しい調査結果が、サイエンスジャーナルの10月1日号に報告されている。ガリレオに積まれた近赤外線マッピング分光計の主要な調査者、カールソン(Carlson)が主な著者である。
エウロパに生命に関する証拠はないが、ガリレオ宇宙船によって集められた写真と他の科学的情報は、液体の大洋がエウロパの氷の地殻の下にあるかもしれないことを示している。水は生命に不可欠な一つのキー成分である。
最初に、エウロパ上の分光計による硫酸の発見は、生命がそこに存在するかもしれないというあらゆる話を破棄するであろうとカールソンは考えた。「なかんずく、我々は地球上に酸を好むバクテリアがあるということも知っている、しかし、硫酸は危険な化学薬品である」と彼は言った。これらの考え方は、発見に興奮したJPLの宇宙生物学ユニットのヘッド、同僚のケネス・ニールソン(Kenneth Nealson)博士によってすぐに否定された。
「硫黄は厳しい化学薬品のように思われるかもしれないが、エウロパ上のその存在は生命の可能性をいかなる点でも除外しない」とニールソンは言った。「事実、生命の基本であるエネルギーを作るためには、燃料とそれを燃やすための何物かを必要とする。硫黄と硫酸は、地球上での生きもののためのオキシダント、または、エネルギー源と知られている。これらの新しい調査結果は、エウロパの地表の硫黄オキシダントと、エウロパの熱い内部から生産された自然の燃料との間の、あらゆる可能性のあるリンクを捜し求めることを我々に奨めている。」
「これらの調査結果は私に長い間つきまとってきた難問を解決するのに役立つ」とカールソンは言った。「エウロパの観測の間に分光計で集められたデータには、我々が確認できないであろう化学薬品を示してきた。”この地獄の原材料は何だろう?”私は疑問を持ち続けている。研究所における測定は今我々にそれが硫酸であることを語っており、そして、我々は、それがどこから来るのか、また、他の何の物質がそこにあるのかの調査を始めることが出来る。」例えば、エウロパのいくつかの赤みがかった茶色の地域は、硫酸と共存する硫黄によって引き起こされているのであろう。
カールソンによって提案された一つの理論は、硫黄原子が木星の火の月イオの上の火山にから発し、その物質が木星の周辺の磁界の環境の中に噴出して、エウロパの方向へ旋回させた結果であるというものである。他のアイデアは、硫酸が間欠泉または氷の中の割れ目を通り上方へ滲み出すことによって噴出し、月の氷の地殻の下のエウロパの内部から硫酸がもたらされるというものである。
他の理論は、カールソンの共同執筆者、カルロッツヴィル(Charlottesville)、バージニア大学のロバート・ジョンソン教授によるもので、彼は、ナトリウムとマグネシウム硫酸塩が地下の大洋からエウロパの地表に届き、その後激しい放射フィールドによって変化したということに着目した。これは凍った硫酸を生み他の硫黄は合成する。新しい発見はまたハワイ大学のトーマスマッコード博士(Thomas McCord)と、このタイプの硫酸塩がエウロパに存在することを示唆した、機器チームの他のメンバーによって報告された初期のガリレオ分光計データの分析と一致している。
カールソン、ジョンソン、および共同執筆者、JPLの化学解析学研究所(Analytical Chemistry Laboratory)の化学者、マークアンダーソン(Mark Anderson)は、それがまた、硫酸を含むかどうかを理解するために、木星の最大の月、ガニメデを調査することを計画している。
近赤外線マッピング分光計は、肉眼で見えない赤外線の光をプリズムのように分割し機能する。異なる化学薬品は異なった赤外線の光を吸収するので、科学者達は、どのような化学薬品が存在するかを決めるために、その結果生じる光のパターンを調べることが出来る。
September 30, 1999

エウロパの木星に向いた半球のこの合成されたイメージは、1999年11月25日に、NASAのガリレオ木星探査機に積まれた二つの機器によって獲得された。宇宙船のカメラによる広域な白黒の視界は、エウロパのこのサイドについて得られたこれまでにない最も高解像度の視界を提供している。ガリレオの近赤外線マッピング分光計装置によって得られた重ねられたこの疑似カラーイメージは、エウロパの地表の様々な組成と共に物質の存在を明らかにしている。
このイメージでは青いエリアは最もクリーンな最も明るい氷の地表を表し、最も赤いエリアはより暗い非氷物質の最も高い集中を持っている。ここに見られる色の混合はおそらく加齢による両方の変化の結果と表面物質の組成のように思われる。暗い物質は時間の経過と共に薄れると考えられている。
このエリアは新鮮に見える明るい隆起と破砕の高い集中の故にエウロパの多くの他のエリアと比べると極めて異常である。エウロパの他の部分では暗いエリアは最も新しく形成されたように思われるが、ここでの隆起と破砕は内部に横たわる暗くまだらの地域に「重ね刷り」されたように思われる。
科学者達は暗い物質の化学構成について意見が合わない。大洋の表面下からの硫酸と塩の鉱物の両方が示唆されている。このイメージの分析はこの論争を解決するのに役立つかもしれない。驚いたことに、どちらの物質も生きた有機体の形成にとって好ましい地表下の条件を生み出すだろう。
このカラーのエリアは、赤道の交点近く、その経度が0度の値を割り当てられるエウロパの「主子午線」に中心が置かれている。これは木星が常にほぼ直接頭上に現れるサブジュピターポイントである。この現象はエウロパが木星の周りを回るとき、回転に当って同じ時間(3.55日)の長さをとることによって発生する。カラーで描かれたエリアは約 400km × 400km、約 160,000 平方kmである。
April 19, 2000
NASAの研究者達は木星の最も神秘的な月の一つが膨大な水をその氷のコートの下に隠しているという最強の証拠を得た。この証拠はNASAのガリレオ宇宙船による磁界の読取りからもたらされ、8月25日(金)のジャーナル、サイエンスの版に報告された。
木星の第4の大きな衛星エウロパは長い間水の広大な量を抱えているという疑いを持たれてきた。我々が知る生命体は水を必要としているので、このことは地球を越えた生命、宇宙生物学の探索のためにこの月が最大のターゲットになる。
「エウロパを囲む磁界の方向は、氷の下の塩水のような液体の、電気を伝導する層の存在による最良の説明の道を裏で示している」ガリレオの磁力計機器の主要な研究者でありサイエンスの共著者、カリフォルニア大学ロサンゼルス校(UCLA)のマーガレット・キベルソン(Margaret Kivelson)博士は説明した。
1月にエウロパの近くをベテランの宇宙船が飛んだ後、キベルソンがガリレオの磁力計からの秘密を洩らすデータを最初に受け取ったときに、彼女はそのような結論を発表した。彼女のチームは今週の正式のレポートで液体の層に関するその理論を詳しく述べている。
「我々にはエウロパの表層が凍結している、或いは液体の水で構成されていると考える良い理由がある」、早期の重力測定が月の外側の部分に水のような低密度を示していることを指摘してキベルソンは言った。「しかし氷は良い導体ではないことから、我々はその導体が融けた大洋かもしれないと推論している」
宇宙船が1995年12月に木星とその月の周囲を回り始めて以来、ガリレオは頻繁にエウロパの近くを飛んだ。これらのフライバイからの写真は、科学者達が隠された大洋に関する証拠と見なすパターンを示している。あるものは下の流体の上に浮くことによって位置を変えたように見える氷の筏(いかだ)。他の場合には地表に達し凍結したように見える流体。
「しかしながら、これらの形は後に凍結し固体になった過去の大洋によっても説明できるだろう」とガリレオプロジェクトの科学者、NASAのジェット推進研究所のトレンス・ジョンソン(Torrence Johnson)博士は言った。「この磁力計データは、過去における地質というよりはむしろ今そこに大洋があるという、ユニークな、我々が持っている僅かな指標である」とジョンソンは言う。
「エウロパの液体の水の件はまだ結論付けられたものではない」とジョンソンは言った。「その証拠はまだ間接的で、実際に塩の大洋があるという結論に至るためには推論にいくつかのステップを要求する」と彼は言った。「決定的な答えは、潮流の影響をチェックするための重力と高度の正確な測定によってもたらされるだろう」
この情報を提供することを可能とする機器を運ぶために、NASAはエウロパ軌道船ミッションを計画している。大洋に関する磁界の証拠はエウロパが木星の磁界の中の軌道にあることから可能性がある。「そのフィールドはエウロパの地表近くの伝導性の層を通して流れる電流を生み、その電流がエウロパで第2の磁界を創る」と新しいレポートは説明する。
エウロパ近くの磁界のデータが、このタイプの第2の影響に起因するという塩水の層を暗示するキーの証拠はタイミングに依存している。エウロパにおける木星の磁界の方向はフィールドの変化の中で月の位置が変わるときに予測どおりに逆転する。1月のガリレオフライバイの間、エウロパの木星の磁界の方向は1996年と1998年に通過したときのものと正反対であった。キベルソンのチームは、エウロパが塩水の層を持っているとしたらエウロパの磁界の極性の方向をどのように変えるかを予測し、ガリレオの測定はそれらの予測と一致した。「これは磁界の徴の源が地表近くの伝導層にあるという非常に強い場合に創られる」とキベルソンは言った。
NASAの土星に向かうカッシーニ土星周回探査機がこの秋と冬に木星近くを通過するとき、ガリレオの磁力計は木星について共同研究する重要な役割を演ずることが期待されている。太陽から離れて流れる粒子の太陽風に関して、ガリレオは木星の磁界の中にあり、一方カッシーニはその外側にあるだろう。科学者達は太陽風が磁界にどのように影響を及ぼすかについて更に学ぶために、その位置決めに優位性をとることを計画している。
ガリレオはその源の任務を3年前にほぼ完成し、さらに3年の拡張が行われ、設計された放射の量の3倍に耐え生き残った。
Aug 25, 2000
科学者達が地表下に液体の大洋を隠しているかもしれないと言う木星の衛星エウロパのインパクトクレータが、月の壊れやすい氷の殻の外皮が3~4キロメートル以上であることを示している、と二つのアリゾナの惑星科学者達の大学がサイエンス11月9日の刊で報告した。
エウロパの固い氷の殻の厚さは科学上一つの熱い論争点である。ある者は、隆起、円形の亀裂、他の地質学上の地形を与えられたその外皮の厚さは僅か1~2キロメートルでなければならないと主張している。他の者は氷の外皮が10倍厚くなければならず、地表の地形に観測される形の暖かい伝導体の氷層を含むと主張している。
地質学を越えてエウロパが持つ広い魅惑は、それが液体の水の大洋と潜在的に生命を宿している可能性である。将来のエウロパ軌道船ミッションに求められる機器は、可能性のある大洋を検出し探査するためのレーダとその他の機器を含んでいる。
大洋(それが実に存在するならば)を探究するためには科学者達は重なる氷の厚さを知らなければならない。英国の月及び惑星研究所の Elizabeth P. Turtle と Elisabetta Pierazzo は、ガリレオ宇宙船によって像を描かれたインパクトクレータにおける中央のピークを生み出すのに十分な強力なインパクトの量を数値でシミュレートした。
「ガリレオとボイジャーによって観測された28のインパクトクレータの少なくとも六つが中央のピークをよく定義している」と Turtle は言う。それらは直径5キロメートル以上の大きなクレータに発見される。六つのクレータのイメージはオンラインで見ることができる。(下の写真)
![]() |
「エウロパにはあまり多くのインパクトクレータがないが、これらの存在は、我々がエウロパの地表を形造る多くの他のプロセスを理解するよりも、よくクレータのプロセスを理解する理由の多くを我々に語っている」と Turtle は言う。
「あるクレータの形態(構造)は、これらのインパクトが、完全に気化しなかったかあるいはエウロパの冷たい壊れやすい氷層を通して溶けたことを示している。それゆえに、この観測によれば、我々のインパクトシミュレーションが氷の外皮が厚さ3~4キロメートルを超える距離でなければならないことを論証している」と Turtle は言う。「私は、我々が為したものが氷の厚さの下限であることを強調したい。これらのシミュレーションでは氷の厚さの上限を得られない。」
「我々がエウロパでに見ているものは標準的な中央のピークのように思われる。中央のピークは持ち上げられた深い素材であることから、これらはインパクトがエウロパの氷を通して水まで届かなかったであろうことを意味する。水では中央のピークを形作りまた保つことができなかっただろう。」
研究者達はまた、エウロパが暖かい伝導体の氷を覆う薄く壊れやすい層から成る厚い氷の殻を持っているかも知れないという仮説を立てた。しかし Turtle と Pierazzo の研究は、これらのインパクトが暖かい氷を貫くことさえもなかったことを示している。
例えばエウロパ最大の既知のセントラルピークインパクトクレータ、直径24キロメートルの Pwyll は、大雑把に直径5キロメートルの中央のピークとおおよそ500メートルの高さを持っている。もし Pwyll のピークの下に暖かい伝導する氷があったならば、そのピークは1年未満で消滅したであろうということを Turtle は算出した。
「この仕事は氷の厚さを確定しエウロパの地質と発展をよく理解する複合的段階のモデル化プロジェクトの最初のステップである」と英国の科学者達は言う。
水の氷を通すインパクトの衝撃波の通過をシミュレートするために Pierazzo がこの研究に適用した非常に洗練された手法は非常に時間がかかる。1秒足らずの中で起きる衝撃波のシミュレーションを創りだすのに2週間を要した。
「次のステップは、氷の厚さに更なる限界を設けるためにクレータの掘り下げと崩壊をシミュレートするための手法にほんの少しの詳細とほとんど時間をかけないことである。」と Turtle は言った。
このチームは将来の研究として固体の氷の構造の中の研究のためにインパクトの間の温度分布をシミュレートする計画であり、エウロパのセントラルインパクトピークがどのくらい長く存在するかをモデル化するために温度と氷の強さに関する情報を使うだろう。
Nov 08, 2001
TOP